Part Number Hot Search : 
BP02057 2SK2854 CY14E TS2937CM MAX668 SI4927DY VRE310BS FQP12P20
Product Description
Full Text Search

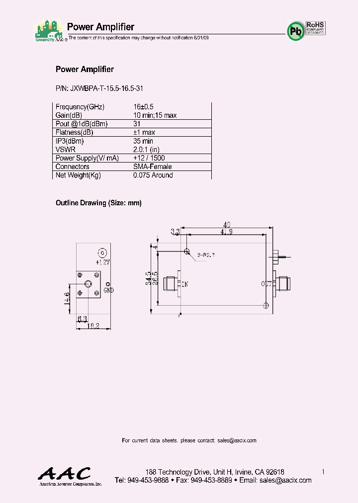
JXWBPA-T-155-165-31 - Power Amplifier

JXWBPA-T-155-165-31_4920294.PDF Datasheet


 Full text search : Power Amplifier
 Product Description search : Power Amplifier


 Related Part Number
PART Description Maker
ACPM-7812-TR1 Amplifier. Other
CDMA/AMPS power amplifier module 824 MHz - 849 MHz RF/MICROWAVE NARROW BAND MEDIUM POWER AMPLIFIER
Agilent Technologies, Inc.
RFS1003 PRFS-1003-0009 PRFS-1003-0005 PRFS-1003-00 From old datasheet system
5.1-5.9 GHz U-NII Power Amplifier
The RFS1003 power amplifier is a high-power, high-performance GaAs MESFET IC designed for use in transmit applications in the 5.1-5.9 ...
ANADIGICS[ANADIGICS, Inc]
Anadigics Inc
AWT6108 AWT6108M10P8 This quad band power amplifier module is designed to support dual, tri and quad band applications.
Power Amplifiers
Quad Band Power Amplifier Module 824 MHz - 849 MHz RF/MICROWAVE NARROW BAND MEDIUM POWER AMPLIFIER
Anadigics Inc
ANADIGICS, Inc.
TGA9083-EEU TGA9083 TV 6C 6#8(TWIN) PIN PLUG RECP RF/MICROWAVE WIDE BAND HIGH POWER AMPLIFIER
Monolithic Power Amplifier
TriQuint Semiconductor, Inc.
TRIQUINT[TriQuint Semiconductor]
MRFIC2408 MRFIC2408P MRFIC2408PP single chip RF Power Amplifier
Bluetooth External Power Amplifier IC Product Preview
Motorola, Inc
MOTOROLA[Motorola Inc]
2SA1425 E000527 TRANSISTOR (POWER AMPLIFIER/ DRIVER STAGE AMPLIFIER APPLICATIONS)
From old datasheet system
TRANSISTOR (POWER AMPLIFIER, DRIVER STAGE AMPLIFIER APPLICATIONS) 晶体管(功率放大器,放大器的驱动程序
TOSHIBA[Toshiba Semiconductor]
Toshiba, Corp.
CMM3566-LC-000T PB-CMM3566-LC 3.45 to 3.5 GHz 7.0 V, 24 dBm W-cdma Power Amplifier 3.45.5 GHz 7.0伏,24 dBm的的W - CDMA功率放大
3.45 to 3.5 GHz 7.0 V, 24 dBm W-cdma Power Amplifier 3450 MHz - 3500 MHz RF/MICROWAVE NARROW BAND MEDIUM POWER AMPLIFIER
Mimix Broadband, Inc.
MIMIX BROADBAND INC
MAX2235 MAX2235EUP 3.6V / 1W Autoramping Power Amplifier for 900MHz Applications
3.6V, 1W Autoramping Power Amplifier for 900MHz Applications 800 MHz - 1000 MHz RF/MICROWAVE WIDE BAND MEDIUM POWER AMPLIFIER
MAXIM - Dallas Semiconductor
MAXIM[Maxim Integrated Products]
Maixm
Maxim Integrated Products, Inc.
2SC3076 E000787 TRANSISTOR (POWER AMPLIFIER, SWITCING APPLICATIONS) 晶体管(功率放大器,SWITCING应用
POWER AMPLIFIER APPLICATIONS POWER SWITCHING APPLICATIONS
From old datasheet system
Toshiba, Corp.
Toshiba Corporation
Toshiba Semiconductor
AT49BV040- AT49LV040 AT49BV040 AT49BV-LV040 AT49BV LM4910 Output Capacitor-less Stereo 35mW Headphone Amplifier; Package: LLP; No of Pins: 8
LM4663 Boomer ® Audio Power Amplifier Series 2 Watt Stereo Class D Audio Power Amplifier with Stereo Headphone Amplifier; Package: TSSOP; No of Pins: 24 512K X 8 FLASH 2.7V PROM, 90 ns, PDSO32
LM4549A AC '97 Rev 2.1 Multi-Channel Audio Codec with Sample Rate Conversion and National 3D Sound; Package: LQFP; No of Pins: 48
LM4664 Boomer ® Audio Power Amplifier Series Filterless High Efficiency 1.1W Switching Audio Amplifier; Package: MICRO SMD; No of Pins: 9
4-megabit (512K x 8) Single 2.7-volt Battery-Voltage Flash Memory
Atmel, Corp.
Atmel Corp.
ATMEL[ATMEL Corporation]
MF-MSMD030 MF-MSMD020 MF-MSMD010 MF-MSMD014 MF-MSM Ka Band LNA
Q-band Power Amplifier
17 - 43 GHz MPA/Multiplier
Ka-Band Power Amplifier
27 - 31 GHz 2W Balanced Power Amplifier
K Band LNA
Ka Band HPA
PTC Resettable Fuses
Bourns Inc.
Bourns Electronic Solutions
 
 Related keyword From Full Text Search System
JXWBPA-T-155-165-31 中文简介 JXWBPA-T-155-165-31 poliester JXWBPA-T-155-165-31 Pass JXWBPA-T-155-165-31 image sensor JXWBPA-T-155-165-31 upload
JXWBPA-T-155-165-31 frequency JXWBPA-T-155-165-31 datasheet | даташит JXWBPA-T-155-165-31 mount JXWBPA-T-155-165-31 pin JXWBPA-T-155-165-31 型号替换
 

 

Price & Availability of JXWBPA-T-155-165-31

All Rights Reserved © IC-ON-LINE 2003 - 2022  

[Add Bookmark] [Contact Us] [Link exchange] [Privacy policy]
Mirror Sites :  [www.datasheet.hk]   [www.maxim4u.com]  [www.ic-on-line.cn] [www.ic-on-line.com] [www.ic-on-line.net] [www.alldatasheet.com.cn] [www.gdcy.com]  [www.gdcy.net]


 . . . . .
  We use cookies to deliver the best possible web experience and assist with our advertising efforts. By continuing to use this site, you consent to the use of cookies. For more information on cookies, please take a look at our Privacy Policy. X
2.027204990387