Part Number Hot Search : 
LL0APP SF803 RS07B M30240M4 GBL0051 N80C58 MPQ8903 LV8712T
Product Description
Full Text Search

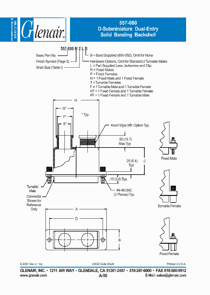
557T080M - D-Subminiature Dual-Entry Solid Banding Backshell

557T080M_1342468.PDF Datasheet


 Full text search : D-Subminiature Dual-Entry Solid Banding Backshell
 Product Description search : D-Subminiature Dual-Entry Solid Banding Backshell


 Related Part Number
PART Description Maker
HL-C1DP-E HL-C1 HL-C105B HL-C105B-BK HL-C105-BKC H Tempo di scansione di soli 100us,il pi veloce in campo industriale
Tempo di scansione di soli 100s,il pi veloce in campo industriale 节奏迪scansione迪索00?秒,在坎波industriale一皮韦洛切
ETC[ETC]
List of Unclassifed Manufacturers
Electronic Theatre Controls, Inc.
XSUG68D 5x5mm RECTANGULAR SOLI D LAMP
From old datasheet system
List of Unclassifed Manufacturers
ETC[ETC]
FRT250T 7100.1125.XX 7100.1017.XX 7100.1117.XX 710 TIME LAG BLOW ELECTRIC FUSE, 0.5A, 250VAC, 250VDC, 35A (IR), THROUGH HOLE
Subminiature Fuse, 11.5 x 5 mm, Tr?e T
Subminiature Fuse, 11.5 x 5 mm, Tr庐e T
Subminiature Fuse, 11.5 x 5 mm, Tr盲ge T
Schurter Inc.
APS-9112048 APRS-1120 Dual -48 V DC power entry modules
List of Unclassifed Manufacturers
SMSS-8-D-06 Socket Strip - Verticla - Dual Entry
Major League Electronics
2-1193487-7 CABLE ENTRY SEALS 2 ENTRY, NPT THREADED
Tyco Electronics
507-142M21BB 507-142M21EB 507-142M21HB 507-142M67B EMI/RFI Dual Entry Banding Backshell
Glenair, Inc.
DAU-15PTI-FO DAUE-15PTI-FO DDU-50P DBUE-25S 15 CONTACT(S), MALE, D SUBMINIATURE CONNECTOR, CRIMP, PLUG
D-Subminiature Connector; D Sub Shell Size:DB50; Leaded Process Compatible:No; Peak Reflow Compatible (260 C):No RoHS Compliant: No 50 CONTACT(S), MALE, D SUBMINIATURE CONNECTOR, CRIMP, PLUG
25 CONTACT(S), FEMALE, D SUBMINIATURE CONNECTOR, CRIMP, SOCKET
Cinch Connectors
SMSS-7-D-06 .039 cl Dual Row - Surface Mount Socket Strips - Top Entry
Major League Electronics
501800-4030 Micro IDT Coaxial Side-Entry to Side-Entry Cable Jumper Plug, 40 Circuits, 100mm
Molex Electronics Ltd.
0399400208 39940-0208 5.08mm (.200) Pitch Beau?/a> EuroMate?/a> Pluggable PCB Terminal Block, Dual Level, 90° Wire Entry, 8 Circuits
5.08mm (.200) Pitch Beau EuroMate Pluggable PCB Terminal Block, Dual Level, 90° Wire Entry, 8 Circuits
MOLEX Connector
Molex Electronics Ltd.
 
 Related keyword From Full Text Search System
557T080M 21 ic on line 557T080M Detector 557T080M differential 557T080M components 557T080M EEprom
557T080M sanyo 557T080M dropout 557T080M electric 557T080M ic equivalent 557T080M Level
 

 

Price & Availability of 557T080M

All Rights Reserved © IC-ON-LINE 2003 - 2022  

[Add Bookmark] [Contact Us] [Link exchange] [Privacy policy]
Mirror Sites :  [www.datasheet.hk]   [www.maxim4u.com]  [www.ic-on-line.cn] [www.ic-on-line.com] [www.ic-on-line.net] [www.alldatasheet.com.cn] [www.gdcy.com]  [www.gdcy.net]


 . . . . .
  We use cookies to deliver the best possible web experience and assist with our advertising efforts. By continuing to use this site, you consent to the use of cookies. For more information on cookies, please take a look at our Privacy Policy. X
1.2504851818085