Part Number Hot Search : 
HIP6601B HIP6601B 3310GH 3310GH 2D120 N4731 GMBD2004 NCP1422
Product Description
Full Text Search

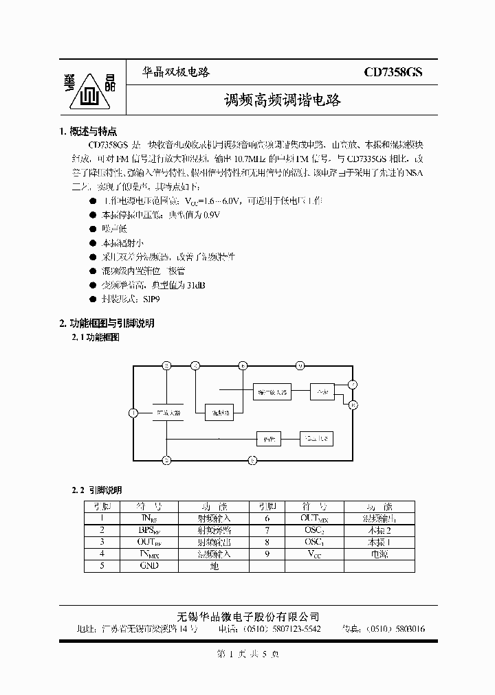
CD7358GS - E64 IC OPN 调频高频头调谐电路\u003d TA7358P

CD7358GS_3772547.PDF Datasheet


 Full text search : E64 IC OPN 调频高频头调谐电路\u003d TA7358P
 Product Description search : E64 IC OPN 调频高频头调谐电路\u003d TA7358P


 Related Part Number
PART Description Maker
4327-018-16651 4335-000-02650 4335-000-20860 PLATE I PLT64/50/5.1-3F3
CORE E E64/10/50-3F3 核心E E64/10/50-3F3
CORE E E64/10/50-3C90 核心E E64/10/50-3C90
Mimix Broadband, Inc.
YM2203 FM Operator Type-N(OPN)
List of Unclassifed Manufacturers
ETC
19084-0003 19084-0001 STAR RING STRP (OPN BRL) (SRZ-0129-10) 2 mm2, BRASS, RING TERMINAL
STAR RING STRP (OPN BRL) (SRZ-0129-06) 2 mm2, BRASS, RING TERMINAL
Molex, Inc.
73800-2000 HDM DE Midplane Opn End 30 SAu 72Ckt 72 CONTACT(S), MALE, STRAIGHT TWO PART BOARD CONNECTOR, PRESS FIT
Molex, Inc.
73781-3300 HDM BP Stkg Mod Opn End ST 30 SAu 144Ckt 144 CONTACT(S), MALE, STRAIGHT BOARD STACKING CONNECTOR, SOLDER
Molex, Inc.
UT54ACS4002-PQCR UT54ACS4002-PQXH UT54ACS4002-UQAH Platform Cable USB II
Conversion Module, SMA to RJ45
XtremeDSP Development Kit — Virtex-4 Edition
x8 PCIe to SMA Conversion Module
XtremeDSP Development Platform – Spartan-3A DSP 3400A Edition
16-bit embedded microcontrollers with RAM
METRIC PLASTIC QUAD-RING
EPD IC OPN
Virtex-4 SF363 Evaluation Board
Dual 4-input NOR Gate 4输入或非
Electronic Theatre Controls, Inc.
 
 Related keyword From Full Text Search System
CD7358GS Controller CD7358GS easy-on CD7358GS pin CD7358GS planar CD7358GS npn
CD7358GS 参数查询 CD7358GS vcc CD7358GS step CD7358GS Cirkuit diagram CD7358GS switching
 

 

Price & Availability of CD7358GS

All Rights Reserved © IC-ON-LINE 2003 - 2022  

[Add Bookmark] [Contact Us] [Link exchange] [Privacy policy]
Mirror Sites :  [www.datasheet.hk]   [www.maxim4u.com]  [www.ic-on-line.cn] [www.ic-on-line.com] [www.ic-on-line.net] [www.alldatasheet.com.cn] [www.gdcy.com]  [www.gdcy.net]


 . . . . .
  We use cookies to deliver the best possible web experience and assist with our advertising efforts. By continuing to use this site, you consent to the use of cookies. For more information on cookies, please take a look at our Privacy Policy. X
1.5076808929443