Part Number Hot Search : 
L173YD 864BF SG684 SMCJ60CA MAX4701 C0402 2000049 D64RBNT5
Product Description
Full Text Search

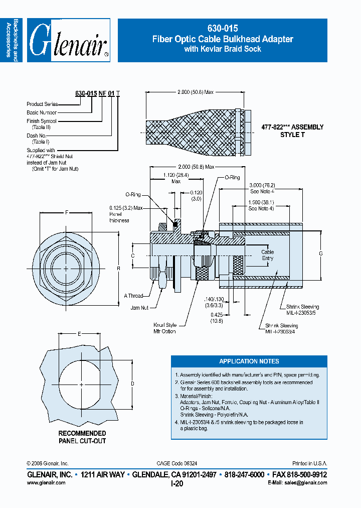
630-015NF - Fiber Optic Cable Bulkhead Adapter

630-015NF_4593331.PDF Datasheet


 Full text search : Fiber Optic Cable Bulkhead Adapter
 Product Description search : Fiber Optic Cable Bulkhead Adapter


 Related Part Number
PART Description Maker
0885262204 885262204 LC-to-ST, Multimode, 62.5/125μm, Duplex, 2.00mm (.079), Standard Fiber Optic Cable Assembly, 10.0m (32.81)
LC-to-ST, Multimode, 62.5/125渭m, Duplex, 2.00mm (.079), Standard Fiber Optic Cable Assembly, 10.0m (32.81)
MOLEX Connector
Molex Electronics Ltd.
0885262203 885262203 LC-to-ST, Multimode, 62.5/125μm, Duplex, 2.00mm (.079), Standard Fiber Optic Cable Assembly, 5.0m (16.40)
LC-to-ST, Multimode, 62.5/125渭m, Duplex, 2.00mm (.079), Standard Fiber Optic Cable Assembly, 5.0m (16.40)
MOLEX Connector
Molex Electronics Ltd.
885276302 0885276302 FC-to-SC, Multimode, 62.5/125渭m, Duplex, 3.00mm (.118), Standard Fiber Optic Cable Assembly, 3.0m (9.84)
FC-to-SC, Multimode, 62.5/125μm, Duplex, 3.00mm (.118), Standard Fiber Optic Cable Assembly, 3.0m (9.84)
Molex Electronics Ltd.
885273502 0885273502 FC-to-ST, Multimode, 62.5/125渭m, Duplex, 3.00mm (.118), Standard Fiber Optic Cable Assembly, 3.0m (9.84)
FC-to-ST, Multimode, 62.5/125μm, Duplex, 3.00mm (.118), Standard Fiber Optic Cable Assembly, 3.0m (9.84)
Molex Electronics Ltd.
HFBR-2505C HFBR-1505A HFBR-2505A HFBR-1505C HFBR-1 HFBR-2515B · Fiber Optic Receiver for PROFIBUS Applications
HFBR-1515B · Fiber Optic Transmitter for PROFIBUS Applications
HFBR-0539 · Evaluation Kit designed for PROFIBUS applications that operate up to 12MBd
HFBR-2505A · Fiber Optic Receiver for SERCOS Applications
HFBR-1505A · Fiber Optic Transmitter for SERCOS Applications
HFBR-0540 · Evaluation Kit designed for SERCOS applications that operate up to 10MBd
HFBR-2505C · Fiber Optic Receiver for INTERBUS-S Applications
HFBR-1505C · Fiber Optic Transmitter for INTERBUS-S Applications
HFBR-0538 · Evaluation Kit designed for INTERBUS-S applications that operate at 500kB and 2MBd
Fiber Optic Transmitters and Receivers for SERCOS, PROFIBUS and INTERBUS-S Applications
Fiber Optic Receiver for INTERBUS-S Applications
Fiber Optic Transmitter for INTERBUS-S Applications
Evaluation Kit designed for PROFIBUS applications that operate up to 12MBd 评估板用于PROFIBUS的应用而设计,经营2MBd
Fiber Optic Transmitter for INTERBUS-S Applications 光纤变送器的INTERBUS - S应用
http://
Agilent (Hewlett-Packard)
HP[Agilent(Hewlett-Packard)]
Coilcraft, Inc.
Avago Technologies, Ltd.
0885237200 885237200 MT-RJ(F)-to-FC, Singlemode, 9/125渭m/G652, Duplex, 1.60mm (.063), Standard Fiber Optic Cable Assembly, 1.0m (3.28)
MT-RJ(F)-to-FC, Singlemode, 9/125μm/G652, Duplex, 1.60mm (.063), Standard Fiber Optic Cable Assembly, 1.0m (3.28)
Molex Electronics Ltd.
N42603M Fiber Optic Mode Conditioning Patch Cable (SC-SC), 3M (10-ft.)
Tripp Lite. All Rights ...
N42201M Fiber Optic Mode Conditioning Patch Cable (ST-LC),1M (3-ft.)
Tripp Lite. All Rights ...
N42003M Fiber Optic Mode Conditioning Patch Cable (ST-SC),3M (10-ft.)
Tripp Lite. All Rights ...
FTM-6112C-SL10043G FTM-6112C-SL10045G FTM-6112C-SL 1.25Gbps CWDM Spring-latch SFP Transceiver
FIBER OPTIC TRANSCEIVER, 1465-1478nm, 1250Mbps(Tx), 1250Mbps(Rx)
FIBER OPTIC TRANSCEIVER, 1425-1438nm, 1250Mbps(Tx), 1250Mbps(Rx)
FIBER OPTIC TRANSCEIVER, 1485-1498nm, 1250Mbps(Tx), 1250Mbps(Rx)
Source Photonics, Inc.
 
 Related keyword From Full Text Search System
630-015NF specification 630-015NF MUX HCSL 630-015NF hot 630-015NF Search 630-015NF circuit
630-015NF State 630-015NF output data 630-015NF filtran xfmr 630-015NF Characteristic 630-015NF isa bus
 

 

Price & Availability of 630-015NF

All Rights Reserved © IC-ON-LINE 2003 - 2022  

[Add Bookmark] [Contact Us] [Link exchange] [Privacy policy]
Mirror Sites :  [www.datasheet.hk]   [www.maxim4u.com]  [www.ic-on-line.cn] [www.ic-on-line.com] [www.ic-on-line.net] [www.alldatasheet.com.cn] [www.gdcy.com]  [www.gdcy.net]


 . . . . .
  We use cookies to deliver the best possible web experience and assist with our advertising efforts. By continuing to use this site, you consent to the use of cookies. For more information on cookies, please take a look at our Privacy Policy. X
1.6348497867584