Part Number Hot Search : 
216X7 H71111E DEMM9XZ ANSY8009 SCDF103 64001 SD1390 FDP3632
Product Description
Full Text Search

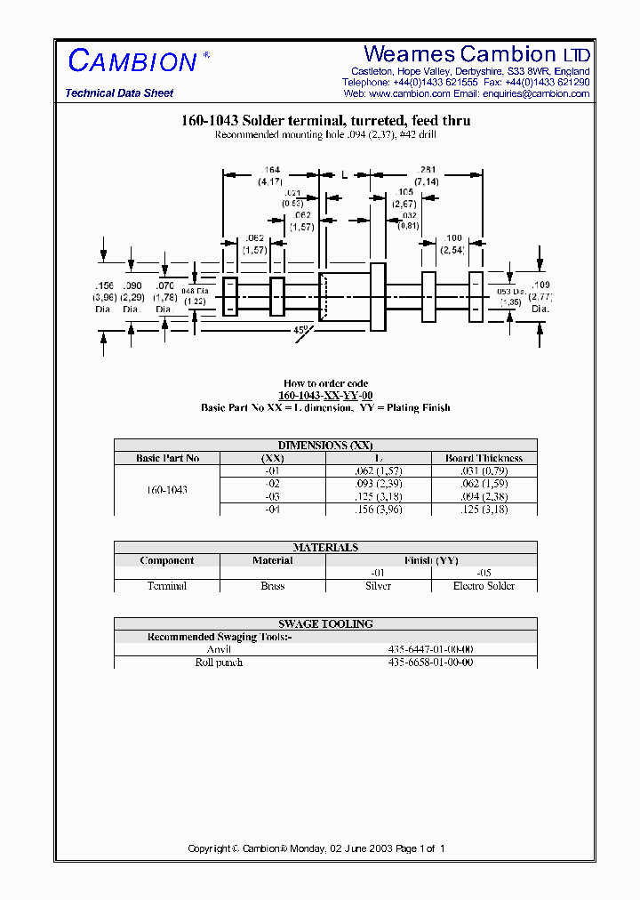
160-1043 - Solder terminal, turreted, feed thru

160-1043_4604309.PDF Datasheet


 Full text search : Solder terminal, turreted, feed thru
 Product Description search : Solder terminal, turreted, feed thru


 Related Part Number
PART Description Maker
160-1724 160-1724-04-05-00 BRASS, TIN LEAD OVER COPPER FINISH, PCB TERMINAL
Solder terminal, turreted
WEARNES CAMBION LTD
CAMBION Electronic Components
160-2084 Solder terminal, turreted
CAMBION Electronic Components
180-2753 Solder terminal, turreted
CAMBION Electronic Components
572-4810 Insulated solder terminal, Turreted
CAMBION Electronic Components
160-1513 Solder terminal, turreted, thru hole
CAMBION Electronic Components
571-4099 Insulated solder terminal, Turreted
CAMBION Electronic Components
572-4833 Insulated solder terminal, Turreted
CAMBION Electronic Components
572-4881 Insulated solder terminal, Turreted
CAMBION Electronic Components
572-4886 Insulated solder terminal, Turreted
CAMBION Electronic Components
572-4838 Insulated solder terminal, Turreted
CAMBION Electronic Components
572-4822 Insulated solder terminal, Turreted
CAMBION Electronic Components
160-2044 Solder terminal, turreted, feed thru
CAMBION Electronic Components
 
 Related keyword From Full Text Search System
160-1043 microprocessor 160-1043 FRE DOUNLODE 160-1043 semiconductor 160-1043 description 160-1043 ic中文资料网
160-1043 purpose 160-1043 rohm 160-1043 Pass 160-1043 器件参数 160-1043 configuration
 

 

Price & Availability of 160-1043

All Rights Reserved © IC-ON-LINE 2003 - 2022  

[Add Bookmark] [Contact Us] [Link exchange] [Privacy policy]
Mirror Sites :  [www.datasheet.hk]   [www.maxim4u.com]  [www.ic-on-line.cn] [www.ic-on-line.com] [www.ic-on-line.net] [www.alldatasheet.com.cn] [www.gdcy.com]  [www.gdcy.net]


 . . . . .
  We use cookies to deliver the best possible web experience and assist with our advertising efforts. By continuing to use this site, you consent to the use of cookies. For more information on cookies, please take a look at our Privacy Policy. X
1.3111088275909