Part Number Hot Search : 
LB1909 CM421255 LTC37 PA0229 TDA9853 8573E 1N5946A 8573E
Product Description
Full Text Search

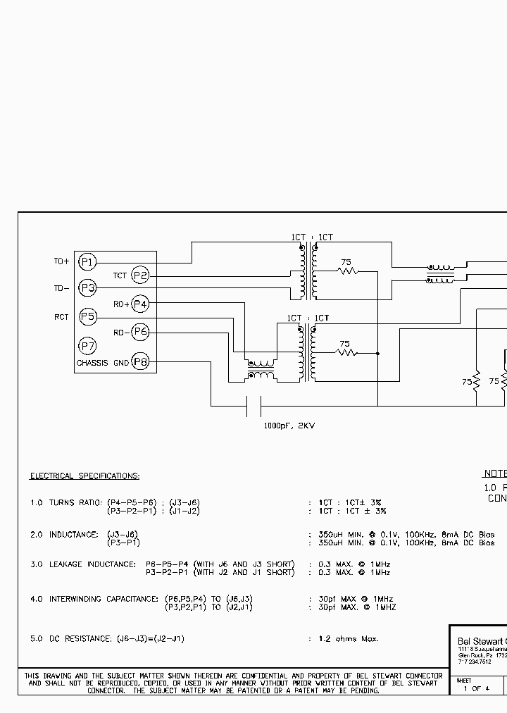
SI-50146 - SI-50146 DATACOM TRANSFORMER FOR GENERAL PURPOSE APPLICATION(S)

SI-50146_5958111.PDF Datasheet


 Full text search : SI-50146 DATACOM TRANSFORMER FOR GENERAL PURPOSE APPLICATION(S)
 Product Description search : SI-50146 DATACOM TRANSFORMER FOR GENERAL PURPOSE APPLICATION(S)


 Related Part Number
PART Description Maker
SI-50146 SI-50146 DATACOM TRANSFORMER FOR GENERAL PURPOSE APPLICATION(S)
Bel Fuse, Inc.
S559-6204-12 ISDN MAGNETICS UPO Interface Transformer DATACOM TRANSFORMER FOR ISDN APPLICATION(S)
Bel Fuse, Inc.
EPB5038G-RC EPB5038G07 EPB5038G    Discrete Line Interface Transformer
DATACOM TRANSFORMER FOR GENERAL PURPOSE APPLICATION(S) ROHS COMPLIANT
Allied Components International
PCA ELECTRONICS INC.
T-50110 T-50117 DATACOM TRANSFORMER FOR LAN APPLICATION(S)
RHOMBUS INDUSTRIES INC
E2015T DATACOM TRANSFORMER FOR 10 BASE-T APPLICATION(S)
PULSE ELECTRONICS CORP
H5062 DATACOM TRANSFORMER FOR ETHERNET APPLICATION(S)
PULSE ELECTRONICS CORP
0816-1X2T-23-F DATACOM TRANSFORMER FOR ETHERNET APPLICATION(S)
BEL FUSE INC
000-7190-30UR DATACOM TRANSFORMER FOR GENERAL PURPOSE APPLICATION(S)
WURTH ELEKTRONIK GMBH & CO KG
AH2403CI DATACOM TRANSFORMER FOR 10/100 BASE-T APPLICATION(S)
ALLIED COMPONENTS INTERNATIONAL
E5TAB-14YF02 E5TAB-14YF04 DATACOM TRANSFORMER FOR 10/100 BASE-TX APPLICATION(S)
PULSE ELECTRONICS CORP
LM4 DATACOM TRANSFORMER FOR 10/100 BASE-T APPLICATION(S)
HON HAI PRECISION INDUSTRY CO LTD
E828B-2F02U4 E828B-2F02U5 E828B-2F02U3 E828B-2F02U DATACOM TRANSFORMER FOR GENERAL PURPOSE APPLICATION(S)
Pulse Electronics, Corp.
PULSE ELECTRONICS CORP
 
 Related keyword From Full Text Search System
SI-50146 Emitter SI-50146 panasonic SI-50146 GaAs Hall Device SI-50146 high-speed usb SI-50146 Test
SI-50146 power suppiy SI-50146 gaas SI-50146 asm encoder SI-50146 analog devices SI-50146 bus
 

 

Price & Availability of SI-50146

All Rights Reserved © IC-ON-LINE 2003 - 2022  

[Add Bookmark] [Contact Us] [Link exchange] [Privacy policy]
Mirror Sites :  [www.datasheet.hk]   [www.maxim4u.com]  [www.ic-on-line.cn] [www.ic-on-line.com] [www.ic-on-line.net] [www.alldatasheet.com.cn] [www.gdcy.com]  [www.gdcy.net]


 . . . . .
  We use cookies to deliver the best possible web experience and assist with our advertising efforts. By continuing to use this site, you consent to the use of cookies. For more information on cookies, please take a look at our Privacy Policy. X
1.2384650707245