Part Number Hot Search : 
VTD205K IRGBC20K NL17S 9C560 CMPWR300 S30S30 VTD205K 1H330
Product Description
Full Text Search

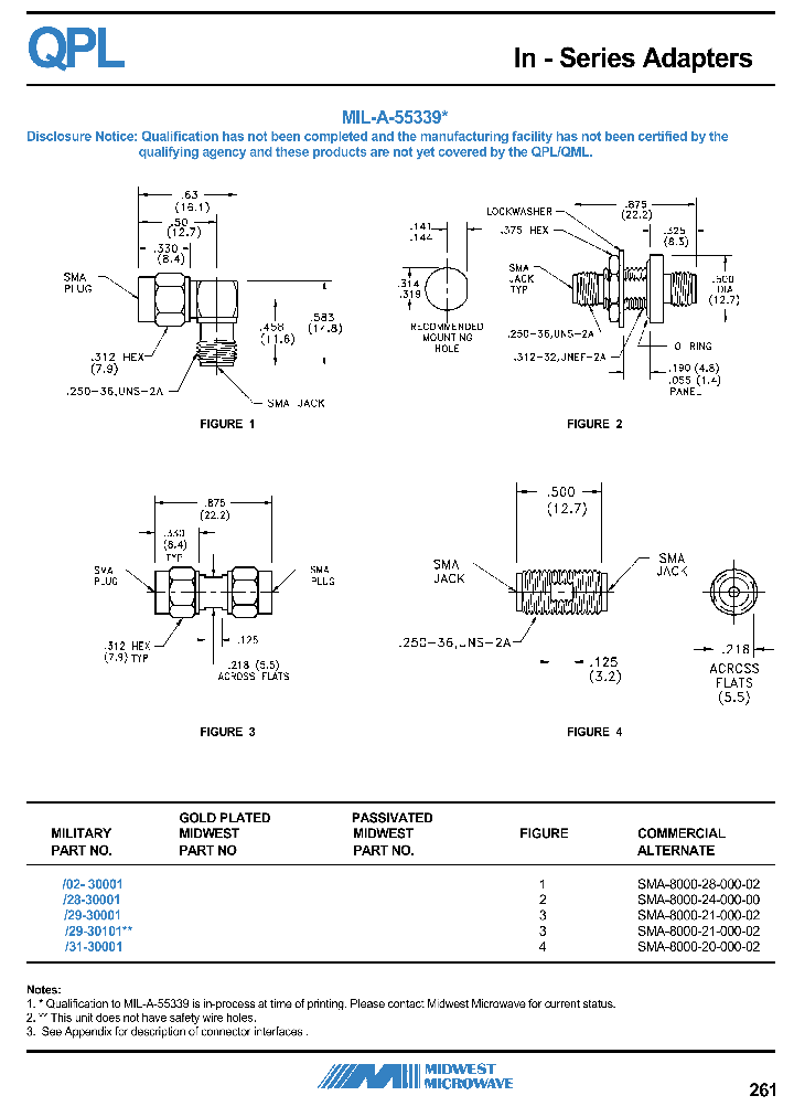
M5533929-30101 - MALE-MALE, RF STRAIGHT ADAPTER, PLUG

M5533929-30101_6703623.PDF Datasheet


 Full text search : MALE-MALE, RF STRAIGHT ADAPTER, PLUG
 Product Description search : MALE-MALE, RF STRAIGHT ADAPTER, PLUG


 Related Part Number
PART Description Maker
09K1P4-S00S3 05K1P4-S00S3 05S1P4-S00S3 02S1P4-S00S FEMALE-MALE, RF STRAIGHT ADAPTER, JACK-PLUG
MALE-MALE, RF STRAIGHT ADAPTER, PLUG
Rosenberger group
005-760-04-41 009-7-720-3 62.5/125 um, MULTI MODE, SIMPLEX ST CONNECTOR
MALE-MALE, RF STRAIGHT ADAPTER
THOMAS & BETTS CORP
5090 Triaxial to BNC coaxial adapter, female/male, 2 lug triax/BNC, 500 Vrms, beryllium copper/brass contact material, brass shell, teflon insulation RoHS Compliant: Yes CABLE TERMINATED, FEMALE-MALE, RF STRAIGHT ADAPTER
Pomona Electronics
EQ1251T-18M-440 EQ1251-18M-440 EQ1251N-03M MALE-MALE, RF STRAIGHT ADAPTER
Glenair, Inc.
83-58DCP-2RFX 83-59DCP-RFX 83-58SCP-RFX CABLE TERMINATED, MALE, UHF CONNECTOR, CRIMP SOLDER, PLUG
CABLE TERMINATED, MALE, RF STRAIGHT ADAPTER
Amphenol, Corp.
AD-2.4M-2.9F MALE-FEMALE, RF STRAIGHT ADAPTER
RLC ELECTRONICS INC
BA832 BA1087 BA94 BA90 BAC1501 RF TEE ADAPTER, JACK
RF STRAIGHT ADAPTER, JACK
MALE, BNC CONNECTOR, TWIST ON, PLUG

V204 1.85 MM FEMALE STRAIGHT TO SMK MALE ADAPTER
List of Unclassifed Manufacturers
5207-7501-000 MALE-MALE-MALE, RF TEE ADAPTER, JACK
APPLIED ENGINEERING PRODUCTS
SMA6511A1-S/PT50G-142/U-50 SMA6511A1-B/3GT50G-58/U PANEL MOUNT, CABLE TERMINATED, FEMALE, SMA CONNECTOR, CRIMP, JACK
RF STRAIGHT ADAPTER
CABLE TERMINATED, MALE, SMA CONNECTOR, CRIMP, PLUG
CABLE TERMINATED, MALE, SMA CONNECTOR, CLAMP, PLUG
RF STRAIGHT ADAPTER, JACK
PANEL MOUNT, MALE, SMA CONNECTOR, SOLDER, RECEPTACLE

01S101-K012 MALE-FEMALE, RF STRAIGHT ADAPTER, PLUG-JACK
ROSENBERGER HOCHFREQUENZTECHNIK GMBH & CO KG
 
 Related keyword From Full Text Search System
M5533929-30101 21 ic on line M5533929-30101 Protect M5533929-30101 GaAs Hall Device M5533929-30101 Datasheet M5533929-30101 protection ic
M5533929-30101 circuit diagram M5533929-30101 Gain M5533929-30101 cmos M5533929-30101 Ultra M5533929-30101 volts
 

 

Price & Availability of M5533929-30101

All Rights Reserved © IC-ON-LINE 2003 - 2022  

[Add Bookmark] [Contact Us] [Link exchange] [Privacy policy]
Mirror Sites :  [www.datasheet.hk]   [www.maxim4u.com]  [www.ic-on-line.cn] [www.ic-on-line.com] [www.ic-on-line.net] [www.alldatasheet.com.cn] [www.gdcy.com]  [www.gdcy.net]


 . . . . .
  We use cookies to deliver the best possible web experience and assist with our advertising efforts. By continuing to use this site, you consent to the use of cookies. For more information on cookies, please take a look at our Privacy Policy. X
1.1295330524445